Search This Blog
The author on this blog is not the original owner of the blog, the original one is in the menu and please be careful because it is redirected to another website from not the original owner of this blog. You can stop by the original blog owner here https://indonesday.blogspot.com Thank You.
- Get link
- X
- Other Apps
- Get link
- X
- Other Apps
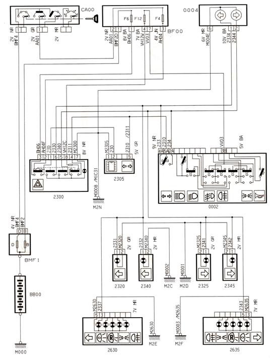
![[ Citroen Xsara Break Hdi 90 cv phase 2 an 2001 ] Branchement kit de](https://i.servimg.com/u/f77/11/74/57/55/schema13.png)


Comments
Post a Comment